Как согласовать перепланировку в МКД без отказов
Расскажу, как действовать для получения разрешений без отказов и приостановок, устранить риски штрафов и предписаний за нарушения при перепланировке

Высшее юридическое образование, юридический факультет СПбГУ. Опыт работы более 20 лет
Цель этой статьи — не просто познакомиться вас с услугой по проектированию и согласованию перепланировок в МКД. Я расскажу обо всех разрешениях, которые будут нужны в определенных ситуациях, о возникающих проблемах и способах их решения. Приведу примеры из практики, чтобы показать требования к безопасному проведению перепланировки, пути решения возможных проблем.
Что нужно знать о перепланировке коммерческих (нежилых) помещений в МКД
Аббревиатурой МКД называют многоквартирные дома. Проведение любых работ там осложняется ввиду постоянного проживания людей. Это актуально и для перепланировок. Как собственнику нежилого помещения, вам придется:
- соблюсти требования нормативных актов — по перечням допустимых и запрещенных работ, по согласованиям на уровне собственников квартир и в госорганах, и т.д.;
- получить ряд обязательных разрешений — их перечень зависит от характера работ и степени их влияния на несущие конструкции, фасадные решения;
- выполнить требования к безопасности самих работ — это станет задачей подрядчика, но многое зависит и от содержания документов.
Перепланировкой вы измените конфигурацию помещения. Сюда относится месторасположение стен и перегородок, различных проемов, дополнительных элементов и конструкций (например, антресоль, о которой обязательно расскажем ниже). Под изменение планировки попадают и многие работы на наружных стенах — устройство или заделывание проемов, создание входных групп и т.д.
Еще упомянем о переустройстве. Оно включает работы с инженерным и сантехническим оборудованием. Согласитесь, что при проведении масштабного ремонта для открытия нового бизнеса вы точно захотите модернизировать условные трубы и батареи, оптимизировать пространство за счет современных технологий. Все это можно предусмотреть единым проектом на перепланировку.
Если взять для примера Москву (хотя ООО «Смарт Вэй» оказывает услуги еще и собственникам из Санкт-Петербурга, Ленинградской и Московской областей), то для перепланировки нужно учитывать нормы:
- Жилищного кодекса РФ;
- Федерального закона № 218-ФЗ (в плане учета и регистрации после перепланировки);
- Постановления Правительства Москвы № 508-ПП — именно здесь мы найдем регламент согласования, требования к перечням работ и многое другое.
Это далеко не все. Например, есть нормативные акты под согласование фасадных работ, которые часто проводятся именно в нежилом помещении и снаружи.

Какие разрешения нужны собственнику
Главная цель всех разрешений при перепланировке в МКД — соблюдение норм безопасности и интересов жильцов. В зависимости от ситуации, сюда будет входить:
- протокол общего собрания собственников помещений в МКД — обязательно для работ с задействованием несущих конструкций и общедомового имущества;
- разрешение от других собственников помещения — если владелец один, вопрос будет снят;
- заключение от Роспотребнадзора (СЭС) — нужно для работ в нежилом помещении, так как подтверждаем соответствие санитарным нормам;
- разрешение Мосжилинспекции (МЖИ) — обязательно во всех случаях, если согласование идет до начала работ;
- акт приемочной комиссии от МЖИ — обязательно после завершения работ, в том числе при узаконивании.
На изменения фасадов при перепланировке заключение выдает Москомархитектура. Но туда документы поступают из МЖИ в рамках единой процедуры согласования.
Еще стоит упомянуть о процедуре кадастрового учета. Она проводится после завершения любой перепланировки (как в МКД, так и в нежилом здании). По факту, учет в Росреестре нередко тоже можно рассматривать как согласование. Весьма часто мы сталкиваемся с приостановками и отказами, которые приходится преодолевать в административном или судебном порядке.
Основные проблемы, которые возникают при согласованиях
Если говорить про алгоритм действий для перепланировки в МКД, то вам нужно:
- заказать документы, на основании которых будут проводиться работы, — проект и техническое заключение;
- получить согласие жильцов дома (если требуется);
- подать документы в Мосжилинспекцию, дождаться выдачи разрешения;
- провести работы (их выполнит подрядная компания, состоящая в СРО);
- заказать технический план (он покажет изменения в планировке и характеристиках помещения);
- еще раз обратиться в МЖИ с техпланом, чтобы оформить акт приемочной комиссии;
- получить выписку из ЕГРН, что станет завершением согласований.
Здесь могут быть и дополнительные этапы — то же заключение от Роспотребнадзора, судебное оспаривание отказа Росреестра и т.д. Но, общая схема для Москвы именно такова.
Сейчас я расскажу о сложностях и проблемах, которые чаще всего возникают при согласованиях перепланировки в МКД. Но, стоит понимать, что каждая ситуация индивидуальна. Периодически возникают вопросы, которые формируют новую правоприменительную и судебную практику. На их решение уходит больше времени и сил, чем в обычных кейсах.

Нарушение правил производства работ
До начала работ нужно получить проект перепланировки. В принципе, там будет подробно описано, что и как должен сделать подрядчик. За безопасность выбранных решений отвечает проектная компания, но при наличии нарушений МЖИ просто откажет в согласованиях. Проблемы могут возникнуть:
- если отступить от проекта (например, выполнить работы, которые изначально не были предусмотрены документами);
- если нарушить условия и требования, описанные проектировщиками для выполнения определенных работ;
- если нарушить общие нормы строительной, санитарной и иной безопасности, на основе которых разрабатывался проект.
Вот пример из практики. Собственник заказал проект и получил разрешение на перепланировку. В ходе работ он сам дал подрядчику добро на частичный снос стены — это не было предусмотрено проектной документацией. Стена оказалась несущей и это автоматически влечет угрозу для здания, жильцов и имущества. О нарушении быстро узнали представители МЖИ (по жалобе от одного из собственников квартир). Помимо предписания и штрафа, чиновники обязали восстановить исходное состояние конструкции. Затраты на эти работы существенно превысили первоначальный бюджет, так как пришлось еще проектировать и дополнительные усиления.
Вывод — доверьтесь проектировщикам и строго соблюдайте выбранные ими решения. Узаконить нарушения и отступления от проекта намного сложнее и дороже. Не забывайте и о том, что все может закончится печально для рабочих подрядной организации, для вашего персонала и посетителей. Такие случаи регулярно попадают в заголовки СМИ.
Неузаконенная перепланировка
На начальном этапе работы с клиентами мы изучаем исходную планировку, данные о характеристиках помещения. И здесь очень часто сталкиваемся с признаками ранее проведенной, но не узаконенной перепланировки. Об этом может свидетельствовать:
- поэтажный план из БТИ с «красными линиями» (они показывают несоответствие реальной планировки с первоначальной конфигурацией помещения);
- информация, полученная в ходе предварительного обследования (например, площадь и конфигурация помещения существенно отличается от данных из ЕГРН);
- предоставленный заказчиком проект на перепланировку, которая не проходила согласования через МЖИ (при этом работы фактически завершены).
Возвращаясь к сказанному выше — главное, чтобы завершенная перепланировка не повлекла нарушений норм безопасности. Это существенно осложнит или сделает невозможным узаконивание. Но, во многих случаях эта процедура может завершиться положительным результатом.
Узаконить несогласованную перепланировку, в том числе с устранением «красных линий», можно так:
- проект уже не нужен, а вот без технического заключения о допустимости и безопасности работ не обойтись — ввиду специфики законодательства, за документом придется обращаться в ГБУ «Экспертный центр» (актуально для Москвы);
- административное узаконивание проходит через МЖИ, а кроме техзаключения туда нужно предоставить еще и технический план — этот документ оформит кадастровый инженер после комплекса обследований и обмера;
- часто узаконивание в МЖИ завершается отказом, и тогда приходиться обращаться в суд — интересы собственника в процессе защитит юрист нашей компании.
Все это вполне реальная ситуация, которая часто встречается в нашей практике. Мы можем спланировать действия только после изучения документов на помещение, предварительного обследования.

Неправомерные требования госорганов
Обычно гос. органы и чиновники работают строго по нормативным актам и регламентам. Они всегда обязаны указать основание, по которому вынесено решение об отказе или приостановке. Если причина соответствует закону, приходиться устранять недостатки в документах и подавать их заново (но объективно, это случается крайне редко).
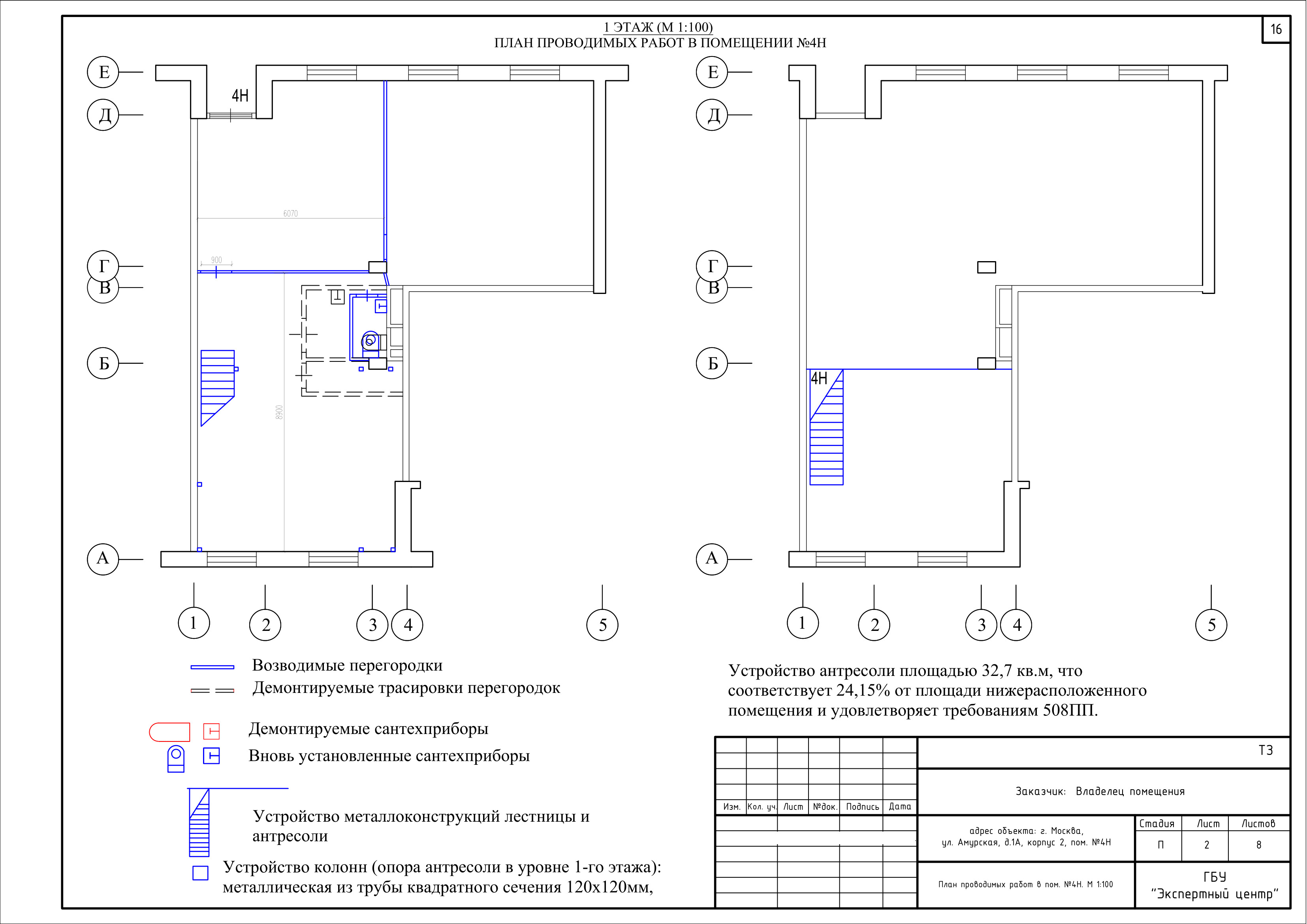
К сожалению, возникают и ситуации, где отказ выносят по субъективным причинам или из-за пробелов в законодательстве. Примером приведем перепланировку с возведением антресоли (площадки на возвышении). О возможности выбора такого решения прямо сказано в Постановлении № 508-ПП, а для помещений в нежилых зданиях — в Постановлении № 432-ПП. Но, проблема возникает на уровне Росреестра:
- ведомство считает, что появление антресоли влечет изменение характеристик не только помещения, но и здания в целом;
- речь идет о появлении этажа, хотя антресоль таковым не является при соблюдении пропорции в 40% от площади помещения;
- так как Росреестр относит антресоль к реконструкции, от заявителя требуют разрешение на строительство, а не на перепланировку;
- снять указанные замечания в административном порядке до сих пор не удается, и нам приходится обращаться в суд.
Уже неоднократно наши иски об оспаривании отказов удовлетворяли суды. Росреестр вносил изменения в ЕГРН, однако, на практику рассмотрения документов с антресолью это пока не повлияло. Тем не менее, наличие положительных решений существенно упрощает защиту клиентов по каждому следующему делу.
Источники изображений:
из личного архива ООО «Смарт Вэй»
Рубрики
Интересное:
Новости отрасли:
Все новости:
Публикация компании
Контакты
Социальные сети
Рубрики


